欢迎来到B体育网页版官方网站!

微博 微信 常见问题| 客户反馈| 网站地图

B体育网页版

全国服务热线:137 2371 3423 / 138 2886 6587
铝外壳

B体育网页版

全国服务热线137 2371 3423 / 138 2886 6587

生产设备采用国内CNC加工中心,钻攻机,精雕机,激光机,满足市场多样化的产品需求! 在线咨询
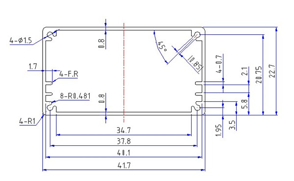
铝外壳厂家BY-040 规格:42X23
  • 铝外壳厂家BY-040 规格:42X23
  • 2A4A8506.jpg

铝外壳厂家BY-040 规格:42X23

简介:铝外壳是一种以铝合金为原料制成的各种壳体,目前市场上对于铝外壳的需求量是相当大的,因为铝外壳的用途多,使用范围广,在很多场所中都需要使用到,如电子行业、机械制造行业、手机行业等。铝外壳,具有灵活性高,深度能够恣意切开,通常内部都有电路板卡槽,只要把电路板直接插入即可,无须再行固定,快捷性是其他品种的外壳无法比拟的。

7*24小时全国服务热线 137 2371 3423 / 138 2886 6587

立即订购
  • 产品介绍

  铝外壳是一种以铝合金为原料制成的各种壳体,目前市场上对于铝外壳的需求量是相当大的,因为铝外壳的用途多,使用范围广,在很多场所中都需要使用到,如电子行业、机械制造行业、手机行业等。铝外壳,具有灵活性高,深度能够恣意切开,通常内部都有电路板卡槽,只要把电路板直接插入即可,无须再行固定,快捷性是其他品种的外壳无法比拟的。


  使用铝外壳的好处:


  1、铝外壳相对于别的金属材质密度小并且质量轻。


  2、铝外壳化学性能稳定,无磁性,可以重复回收利用,是一种良性可循环的金属材料。


  3、采用了热、冷两种工艺处理,有很强的耐腐蚀性能。


  4、铝外壳有良好的铸造性能,且表面处理性能良好。


  6、弹性系数小,碰撞摩擦不起火花,在汽车工艺中表现很好。


  7、全球铝的含量非常高,储量丰富。


  8、铝外壳并没有金属污染,没有毒性,表面氧化层没有挥发性金属。


  9、铝外壳有很好的延展性能,可以与很多金属元素制作轻型合金,材质优质。


  10、铝外壳可塑性强,生产性好,对于生产制作有很好的优势。


相关产品